Общетехнические биметаллические термометры ТБф-120 d.100
Хит
Широкий ассортимент
Собственное производство
Работаем по всему Казахстану
Развитая сеть представителей
Ремонтопригодность
Надежная конструкция приборов
Импортозамещение
Модели соответсвуют зарубежным
- Характеристики
- Диапазон показаний
- Длина штока
- Гарантии
- Документы
- Видео
-
ХарактеристикиОбщетехнические биметаллические термометры ТБф-120 d.100 предназначены для измерения температуры жидких, сыпучих и газообразных сред, не агрессивных к материалу измерительного механизма и отображения измеренных значений на показывающем устройстве.
ВАЖНО! При измерении температуры агрессивных сред термометр комплектуется гильзой из нержавеющей стали с посадочным диаметром 14 мм.ТУ 26.51.51-402-64115539-2019
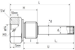
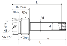
Номинальный диаметр корпуса100 ммКласс точности1,5Степень пылевлагозащитыIP54Присоединительная резьба на штоке (термобаллоне)нетПрисоединительная резьба на гильзе- G1/2 (базовая)
- M20*1,5
- 1/2NPTРазмер квадрата под ключ, мм19 ммМатериал штока (термобаллона)нержавеющая стальМатериал гильзы- медный сплав (базовый)
- нержавеющая сталь (по заказу)Устойчивость к климатическим воздействиямУХЛ1 по ГОСТ по ГОСТ 15150-69Диапазон температуры окружающей среды, оСот -70 до +60 оСВиброзащищенностьгруппа N2 по ГОСТ 52931-2008Средний срок службы8 летМасса не более0,5 кгМатериал корпусакоррозийностойкая (покрытая) стальОбечайкабайонетнаяСтеклотехническоеРасположение штока (термобаллона) с указанием его диаметра в мм.- ОШ*6 (осевое, сзади)
- РШ*6 (радиальное, снизу)Длина гильзы в комплектепо заказу потребителя, согласно утвержденного прайс-листаПосадочный диаметр в гильзу14 ммРабочее давление измеряемой среды- на гильзе из медного сплава: 6,3 МПа
- на гильзе из нержавеющей стали: 25 МПаЧувствительный элементбиметаллическая спиральРегулировка- РШ: на штоке (термобаллоне)
- ОШ: на корпусе с тыльной стороныЦиферблаталюминиевый сплав, окрашенный в белый цветВарианты поставки- с гильзой из медного сплава (базовый)
- с гильзой из нержавеющей стали (по заказу) -
Диапазон показаний
Возможные диапазоны показаний термометра, С0 *
ТБф-120 d.100 IP54 -30…0…70 °С;
-40…0…60 °С;
-50…0…50 °С;
0…60, 80, 100, 120, 150, 160, 200, 250, 300, 350, 400, 450 °С.
* наценки за исполнения и ограничения на производство в разделе прайсы.
-
Длина штока
Возможные монтажные длины защитных гильз термометра, мм *
ТБф-120 d.100 IP54 U46, 64, 100, 150, 200, 250, 300, 350, 400.
Шток ТБф-120 ГЗЛ-РТ (G1/2) для ТБф-120 ГЗЛ-РТ (М20*1,5; 1/2NPT), ГЗ-РТ для ТБф-120

* для данной модели защитная гильза является обязательной частью.
ВАЖНО! Прибор поставляется только в комплекте с защитной гильзой, без гильзы не используется. Монтажная (внешняя) длина гильзы считается от опорной поверхности и включает в себя резьбовое присоединение к процессу или другому оборудованию. Монтажная длина штока имеет значение только для определения того, какая гильза может быть использована в комплекте с данным прибором. Опорной поверхностью, для определения монтажной длины штока, является нижний край не резьбового соединительного элемента.
-
Гарантии
Гарантийный срок эксплуатации - 36 месяцев со дня ввода прибора в эксплуатацию при соблюдении потребителем правил эксплуатации, транспортирования, хранения и монтажа согласно руководству по эксплуатации.
Гарантийный срок хранения прибора – 12 месяцев с момента изготовления.
-
ДокументыОтказное письмо (гильзы) Размер: 359,3 кбОтказное письмо (термометры) Размер: 295,2 кб2019 ДСС ТУ_ТБф Размер: 694,4 кбОписание типа Размер: 2,1 мбСокращения и условные обозначения исполнений приборов ФТ Размер: 259,5 кбСУТ ТБф Размер: 555,6 кбcертификат соответствия (тр тс 032) Размер: 1,4 мбдс тр тс032 Размер: 251,8 кбСертификат соответствия ТР ТС 012 ТБф Размер: 2,8 мб
Документы СНГ
Документы для проектировщиков
Габаритные чертежи гильзы Размер: 1,9 мбГабаритные чертежи прибора Размер: 1,8 мбРуководство по эксплуатации Размер: 715,4 кбМетодика поверки Размер: 2,1 мбОбразец паспорта. Термометры Размер: 939 кбКарта заказа термометров ФТ Размер: 518,9 кбОбразцы шкал ТБф 100 кт1,5 IP54 Размер: 5,8 мб -
Видео
Не нашли подходящее оборудование?
Отправьте заявку, и наши специалисты в кратчайшие сроки подберут для Вас наиболее подходящее оборудование














